ホイールローラコンベア
- ホーム
- ホイールローラコンベア
- 合成白ゴム巻
- GW40WWWR
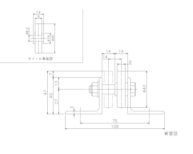
GW40WWWR
- 合成白ゴム巻
- 切削ホイール
- φ40
- 切削ベアリン グ
- M8X45L
製品詳細情報
- 型式
- GW40WWWR
- 材質
- 合成白ゴム巻
- 分類
- 切削ホイール
- ホイール
- φ40
- ベアリング
- 切削ベアリン グ
- 使用ボルト
- M8X45L
- ホイール外径×幅×軸径穴×ボス
- 40X9X8X14
- フレーム
- L3X40X40
- ホイール間隔標準ピッチ
- 35・40・50
- ホイール間隔最小ピッチ
- 30
- 機長(L)
- 1000・2000・3000
- 機高(H)
- 47
- ホイール強度(kg)
- 30
- カーブ中心径R
- 1000・1200
製品の紹介
- コンベヤ各部寸法



