ホイールローラコンベア
- ホーム
- ホイールローラコンベア
- 樹脂
- GW4850JS
GW4850JS
- 樹脂
- 樹脂ホイール
- φ48
- 樹脂ニードルベアリン グ
- M8X70L
製品詳細情報
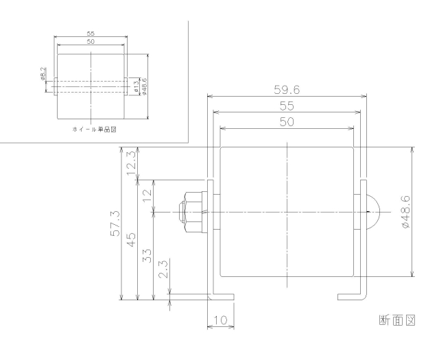
- 型式
- GW4850JS
- 材質
- 樹脂
- 分類
- 樹脂ホイール
- ホイール
- φ48
- ベアリング
- 樹脂ニードルベアリン グ
- 使用ボルト
- M8X70L
- ホイール外径×幅×軸径穴×ボス
- 48.6X50X8X55
- フレーム
- L45X10X2.3
- ホイール間隔標準ピッチ
- 50・75・100
- ホイール間隔最小ピッチ
- 50
- 機長(L)
- 1800・2400・3000
- 機高(H)
- 57.3
- ホイール強度(kg)
- 18
- カーブ中心径R
- 1000・1200
製品の紹介
- コンベヤ各部寸法



