ホイールローラコンベア
- ホーム
- ホイールローラコンベア
- 樹脂
- GW46JW
GW46JW
- 樹脂
- 樹脂ホイール
- φ46
- 樹脂ニードルベアリン グ
- M8X70L
製品詳細情報
- 型式
- GW46JW
- 材質
- 樹脂
- 分類
- 樹脂ホイール
- ホイール
- φ46
- ベアリング
- 樹脂ニードルベアリン グ
- 使用ボルト
- M8X70L
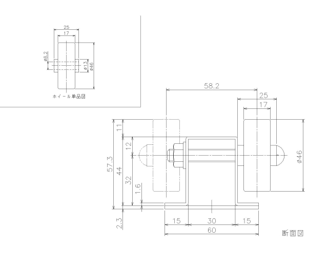
- ホイール外径×幅×軸径穴×ボス
- 46X17X8X25
- フレーム
- H44X30X15X1.6
- ホイール間隔標準ピッチ
- 50・75・100
- ホイール間隔最小ピッチ
- 33
- 機長(L)
- 1800・2400・3000
- 機高(H)
- 57.3
- ホイール強度(kg)
- 18
- カーブ中心径R
- -
製品の紹介
- コンベヤ各部寸法



