ホイールローラコンベア
- ホーム
- ホイールローラコンベア
- 樹脂
- GW4020JS
GW4020JS
- 樹脂
- 樹脂ホイール
- φ40
- 樹脂ニードルベアリン グ
- M6X38L
製品詳細情報
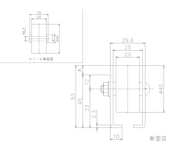
- 型式
- GW4020JS
- 材質
- 樹脂
- 分類
- 樹脂ホイール
- ホイール
- φ40
- ベアリング
- 樹脂ニードルベアリン グ
- 使用ボルト
- M6X38L
- ホイール外径×幅×軸径穴×ボス
- 40X20X6X25
- フレーム
- L45X10X2.3
- ホイール間隔標準ピッチ
- 50・75・100
- ホイール間隔最小ピッチ
- 42
- 機長(L)
- 1800・2400・3000
- 機高(H)
- 53
- ホイール強度(kg)
- 15
- カーブ中心径R
- 1000・1200
製品の紹介
- コンベヤ各部寸法



