ホイールローラコンベア
- ホーム
- ホイールローラコンベア
- 樹脂
- GW3609JS
GW3609JS
- 樹脂
- 樹脂ホイール
- φ36
- 樹脂ベアリン グ
- M8X45L
製品詳細情報
- 型式
- GW3609JS
- 材質
- 樹脂
- 分類
- 樹脂ホイール
- ホイール
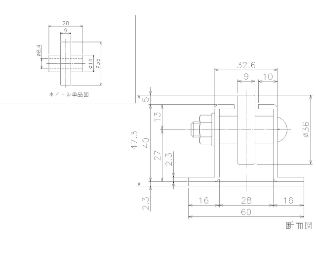
- φ36
- ベアリング
- 樹脂ベアリン グ
- 使用ボルト
- M8X45L
- ホイール外径×幅×軸径穴×ボス
- 36X9X8X28
- フレーム
- Z10X40X15.8X2.3
- ホイール間隔標準ピッチ
- 50・75・100
- ホイール間隔最小ピッチ
- 38
- 機長(L)
- 1800・2400・3000
- 機高(H)
- 47.3
- ホイール強度(kg)
- 10
- カーブ中心径R
- -
製品の紹介
- コンベヤ各部寸法



