ホイールローラコンベア
- ホーム
- ホイールローラコンベア
- 樹脂
- GW26JSI
GW26JSI
- 樹脂
- 樹脂ホイール
- φ26
- 樹脂ベアリン グ
- M6X25L
製品詳細情報
- 型式
- GW26JSI
- 材質
- 樹脂
- 分類
- 樹脂ホイール
- ホイール
- φ26
- ベアリング
- 樹脂ベアリン グ
- 使用ボルト
- M6X25L
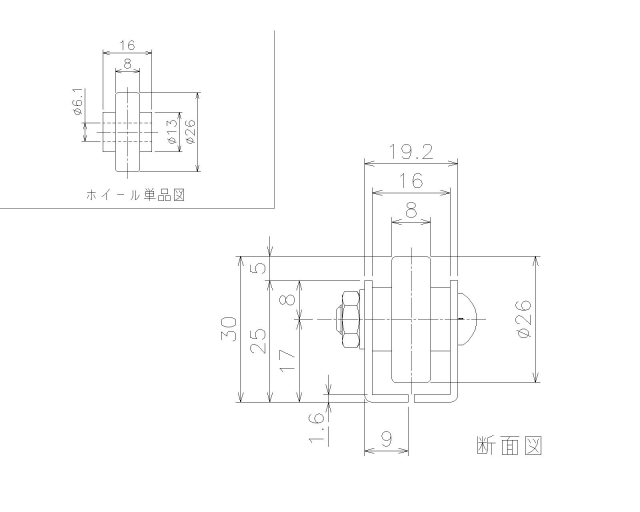
- ホイール外径×幅×軸径穴×ボス
- 26X8X6X16
- フレーム
- L25X9X1.6
- ホイール間隔標準ピッチ
- 30・35
- ホイール間隔最小ピッチ
- 28
- 機長(L)
- 1000・1500・2000
- 機高(H)
- 30
- ホイール強度(kg)
- 30
- カーブ中心径R
- 1000・1200
製品の紹介
- コンベヤ各部寸法



