ホイールローラコンベア
- ホーム
- ホイールローラコンベア
- 樹脂
- GW2050J
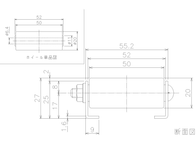
GW2050J
- 樹脂
- 樹脂ホイール
- φ20
- 樹脂ベアリン グ
- M6X65L
製品詳細情報
- 型式
- GW2050J
- 材質
- 樹脂
- 分類
- 樹脂ホイール
- ホイール
- φ20
- ベアリング
- 樹脂ベアリン グ
- 使用ボルト
- M6X65L
- ホイール外径×幅×軸径穴×ボス
- 20X50X6X52
- フレーム
- L25X9X1.6
- ホイール間隔標準ピッチ
- 25・30・35
- ホイール間隔最小ピッチ
- 22
- 機長(L)
- 1000・1500・2000
- 機高(H)
- 27
- ホイール強度(kg)
- 40
- カーブ中心径R
- 1000・1200
製品の紹介
- コンベヤ各部寸法



