フリーローラコンベヤ
- ホーム
- 駆動ローラコンベヤ
- モーターローラドライブ
- MDR3812
MDR3812
- 軽荷重
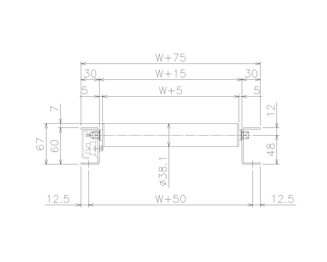
- φ38.1X1.6Xφ12メッキ付
- 300~600
- φ12
製品詳細情報
- 型式
- MDR3812
- ドライブ
- φ12
- タイプ
- φ12
- 荷重
- 軽荷重
- 駆動方式
- モーターローラ単動
- 外径×肉厚×軸径
- φ38.1X1.6Xφ12メッキ付
- ローラ幅(W)
- 300~600
- シャフト
- φ12
- スプロケット仕様
- 寸法
- [60×30×2.3
- ピッチ(P)
- 50・75・100
- 最大機長(L)
- 3000
- 機幅(W)
- 最低機高
- 搬送能力
- ローラ(W)+75
- 搬送速度
- 67
- モーター出力
- 電源
- AC200V(三相)
製品の紹介
- コンベヤ各部寸法



