フリーローラコンベヤ
- ホーム
- フリーローラーコンベア
- スチール
- LGR5714P(低床型)
LGR5714P(低床型)
- 低床型
- 100RW~1000RW
- プレス
- φ12シャフト(φ11.8パイプX1.2tパイプ半月)
- スチール
製品詳細情報
- 型式
- LGR5714P(低床型)
- 材質
- スチール
- 荷重
- 低床型
- ローラー径
- φ57メッキ
- 外径x肉厚x軸径
- φ57.2X1.4tXφ11.8
- ベアリング
- プレス
- ローラー幅
- 100RW~1000RW
- シャフト(P)
- φ12シャフト(φ11.8パイプX1.2tパイプ半月)
- フリーサイズ
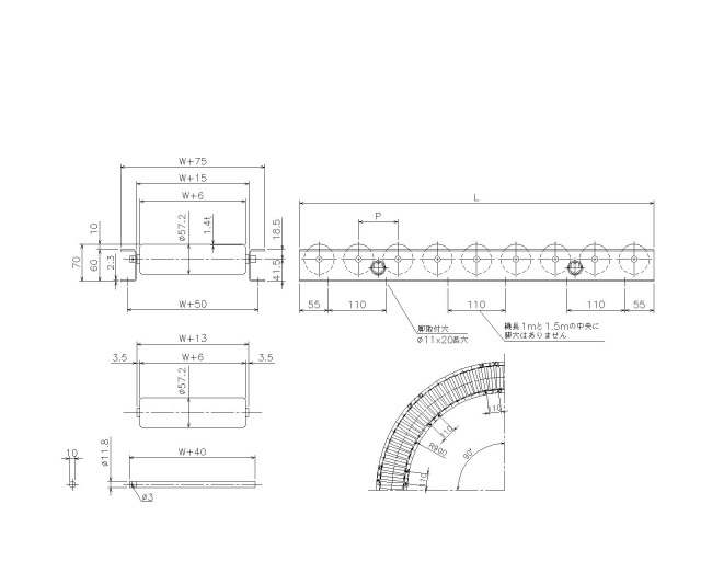
- フレーム寸法
- [60X30X2.3t
- フレーム材質
- スチール
- ローラー間隔(P)
- 60P・75P・100P・150P・200P
- 機長(L)
- 1000L・1500L・2000L・3000L
- 機高(H)
- 70H
- カーブ内R(角度)
- 900(90°60°45°30°)
- ローラ1本あたりの強度表
-
ローラ幅(W) ローラ強度(kg) 100 160 200 160 300 160 400 120 500 100 600 80 700 70 800 60 900 50 1000 45
製品の紹介
- コンベヤ各部寸法
_Z01.jpg)

_S01.jpg)
